Главная > Подшипники> Шариковые> Радиальные>CSXG060

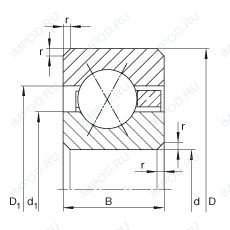
CSXG060 — Подшипник шариковый радиальный с тонким кольцом, импортное производство по ISO стандарту, размер 152x203x25 основное исполнение.
Производитель: INA.
G = Однорядный радиально-упорный шарикоподшипник для универсального парного монтажа. Два подшипника, установленные по 0-образной или Х-образной схеме, будут иметь определенный осевой зазор в домонтажном состоянии.
Цена по запросу
Цена на подшипник зависит от:
Габаритные размеры
Размеры и геометрические характеристики
Нагрузка и ресурс
Радиальный шарикоподшипник 60BIH258 (TIMKEN)
Радиальный шарикоподшипник 60BIC258 (TIMKEN)
Подшипник шариковый радиальный с тонким кольцом CSEG060 (INA)
Радиальный шарикоподшипник KGC060 (KOYO)
Радиальный шарикоподшипник XLJ 6 (RHP, SIGMA)
Цилиндрический роликоподшипник 60RIT247 (TIMKEN)