Главная > Подшипники> Шариковые> Радиальные>CSXF140

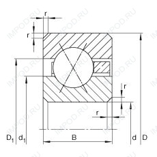
CSXF140 — Подшипник шариковый с четырехточечным контактом, импортное производство по ISO стандарту, размер 355x393x19 основное исполнение.
Производитель: INA.
Механически обработанный сепаратор из стали или чугуна, центрируемый по телам качения.
Цена по запросу
Цена на подшипник зависит от:
Габаритные размеры
Размеры и геометрические характеристики
Нагрузка и ресурс
Подшипник шариковый радиальный с тонким кольцом CSCF140 (INA)
Радиальный шарикоподшипник KFC140 (KOYO)
Радиально-упорный шарикоподшипник KFA140 (KOYO)
Радиально-упорный шарикоподшипник KFX140 (KOYO)