Главная > Подшипники> Шариковые> Радиальные>CSXF100

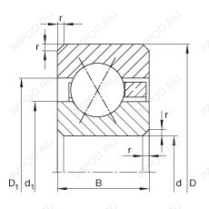
CSXF100 — Подшипник шариковый радиальный с тонким кольцом, импортное производство по ISO стандарту, размер 254x292x19 основное исполнение.
Производитель: INA.
Механически обработанный сепаратор из стали или чугуна, центрируемый по телам качения.
Цена по запросу
Цена на подшипник зависит от:
Габаритные размеры
Размеры и геометрические характеристики
Нагрузка и ресурс
Подшипник однорядный шариковый радиальный CSCF100 (INA)
Подшипник шариковый однорядный радиально-упорный CSEF100 (INA)
Радиальный шарикоподшипник KFC100 (KOYO)
Радиально-упорный шарикоподшипник KFA100 (KOYO)
Радиально-упорный шарикоподшипник KFX100 (KOYO)
Радиально-упорный шарикоподшипник KXF100 (NTN)