Главная > Подшипники> Шариковые> Радиальные>CSXF090

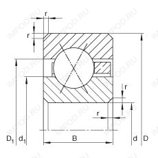
CSXF090 — Подшипник шариковый с четырехточечным контактом, импортное производство по ISO стандарту, размер 228x266x19 основное исполнение.
Производитель: INA.
Механически обработанный сепаратор из стали или чугуна, центрируемый по телам качения.
Цена по запросу
Цена на подшипник зависит от:
Габаритные размеры
Размеры и геометрические характеристики
Нагрузка и ресурс
Подшипник шариковый радиальный с тонким кольцом CSCF090 (INA)
Подшипник шариковый радиальный с тонким кольцом CSEF090 (INA)
Радиальный шарикоподшипник KFC090 (KOYO)
Радиально-упорный шарикоподшипник KFA090 (KOYO)
Радиально-упорный шарикоподшипник KFX090 (KOYO)