Главная > Подшипники> Шариковые> Радиальные>CSXF060

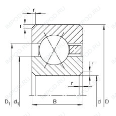
CSXF060 — Подшипник шариковый радиальный с тонким кольцом, импортное производство по ISO стандарту, размер 152x190x19 основное исполнение.
Производитель: INA.
Механически обработанный сепаратор из стали или чугуна, центрируемый по телам качения.
Цена по запросу
Цена на подшипник зависит от:
Габаритные размеры
Размеры и геометрические характеристики
Нагрузка и ресурс
Подшипник однорядный шариковый радиальный CSCF060 (INA)
Подшипник шариковый радиальный с тонким кольцом CSEF060 (INA)
Радиальный шарикоподшипник KFC060 (KOYO)
Радиально-упорный шарикоподшипник KFA060 (KOYO)
Радиально-упорный шарикоподшипник KFX060 (KOYO)