Главная > Подшипники> Шариковые> Радиальные>CSXD180

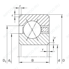
CSXD180 — Подшипник шариковый с четырехточечным контактом, импортное производство по ISO стандарту, размер 457x482x12 основное исполнение.
Производитель: INA.
D1 = (Смазка сегмента, код W33) = Смазочная канавка и три отверстия в наружном кольце подшипника. Начиная с = D320 Суффикс D1 не используется.
Цена по запросу
Цена на подшипник зависит от:
Габаритные размеры
Размеры и геометрические характеристики
Нагрузка и ресурс
Подшипник шариковый радиальный с тонким кольцом CSED180 (INA)
Радиальный шарикоподшипник KDC180 (KOYO)
Радиально-упорный шарикоподшипник CSED 1803) (INA)
Радиально-упорный шарикоподшипник KDX180 (KOYO)
Радиально-упорный шарикоподшипник KDA180 (KOYO)