Главная > Подшипники> Шариковые> Радиальные>CSXD120

CSXD120 — Подшипник шариковый радиальный с тонким кольцом, импортное производство по ISO стандарту, размер 304x330x12 основное исполнение.
Производитель: INA.
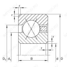
D1 = (Смазка сегмента, код W33) = Смазочная канавка и три отверстия в наружном кольце подшипника. Начиная с = D320 Суффикс D1 не используется.
Цена по запросу
Цена на подшипник зависит от:
Габаритные размеры
Размеры и геометрические характеристики
Нагрузка и ресурс
Подшипник однорядный шариковый радиальный CSCD120 (INA)
Подшипник шариковый радиальный с тонким кольцом CSED120 (INA)
Радиальный шарикоподшипник KDC120 (KOYO)
Радиально-упорный шарикоподшипник CSED 1203) (INA)
Радиально-упорный шарикоподшипник KDX120 (KOYO)
Радиально-упорный шарикоподшипник KDA120 (KOYO)