Главная > Подшипники> Шариковые> Радиальные>CSXD065

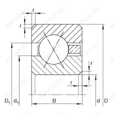
CSXD065 — Подшипник шариковый с четырехточечным контактом, импортное производство по ISO стандарту, размер 165x190x12 основное исполнение.
Производитель: INA.
D = профиль наружного кольца, усовершенствованный, с увеличенной зоной несущей нагрузки и оптимизированными краевыми переходами.
Цена по запросу
Цена на подшипник зависит от:
Габаритные размеры
Размеры и геометрические характеристики
Нагрузка и ресурс
Подшипник однорядный шариковый радиальный CSCD065 (INA)
Подшипник шариковый радиальный с тонким кольцом CSED065 (INA)
Радиальный шарикоподшипник KDC065 (KOYO)
Радиально-упорный шарикоподшипник KDX065 (KOYO)
Радиально-упорный шарикоподшипник KDA065 (KOYO)