Главная > Подшипники> Шариковые> Радиальные>CSXC120

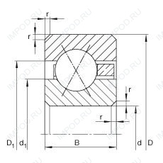
CSXC120 — Подшипник шариковый радиальный с тонким кольцом, импортное производство по ISO стандарту, размер 304x323x9 основное исполнение.
Производитель: INA.
С1 = Внутренний зазор подшипника меньше С2.
Цена по запросу
Цена на подшипник зависит от:
Габаритные размеры
Размеры и геометрические характеристики
Нагрузка и ресурс
Подшипник однорядный шариковый радиальный CSCC120 (INA)
Радиальный шарикоподшипник KCC120 (KOYO)
Радиально-упорный шарикоподшипник KCX120 (KOYO)
Радиально-упорный шарикоподшипник KCA120 (KOYO)
Радиально-упорный шарикоподшипник KXC120 (NTN)