Главная > Подшипники> Шариковые> Радиальные>CSXC100

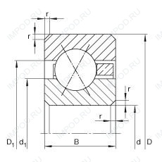
CSXC100 — Подшипник шариковый радиальный с тонким кольцом, импортное производство по ISO стандарту, размер 254x273x9 основное исполнение.
Производитель: INA.
С1 = Внутренний зазор подшипника меньше С2.
Цена по запросу
Цена на подшипник зависит от:
Габаритные размеры
Размеры и геометрические характеристики
Нагрузка и ресурс
Подшипник однорядный шариковый радиальный CSCC100 (INA)
Радиальный шарикоподшипник KCC100 (KOYO)
Радиально-упорный шарикоподшипник KCX100 (KOYO)
Радиально-упорный шарикоподшипник KCA100 (KOYO)