Главная > Подшипники> Шариковые> Радиальные>CSXC080

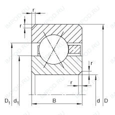
CSXC080 — Подшипник шариковый радиальный с тонким кольцом, импортное производство по ISO стандарту, размер 203x222x9 основное исполнение.
Производитель: INA.
С = Необслуживаемые концы стержней, внутренняя резьба.
Цена по запросу
Цена на подшипник зависит от:
Габаритные размеры
Размеры и геометрические характеристики
Нагрузка и ресурс
Подшипник однорядный шариковый радиальный CSCC080 (INA)
Радиальный шарикоподшипник KCC080 (KOYO)
Радиально-упорный шарикоподшипник KCA080 (KOYO)
Радиально-упорный шарикоподшипник KCX080 (KOYO)