Главная > Подшипники> Шариковые> Радиальные>CSXC070

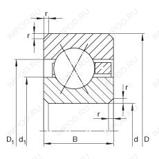
CSXC070 — Подшипник шариковый с четырехточечным контактом, импортное производство по ISO стандарту, размер 177x196x9 основное исполнение.
Производитель: INA.
С = Необслуживаемые концы стержней, внутренняя резьба.
Цена по запросу
Цена на подшипник зависит от:
Габаритные размеры
Размеры и геометрические характеристики
Нагрузка и ресурс
Подшипник однорядный шариковый радиальный CSCC070 (INA)
Подшипник шариковый радиальный с тонким кольцом CSEC070 (INA)
Радиальный шарикоподшипник KCC070 (KOYO)
Радиально-упорный шарикоподшипник KCX070 (KOYO)
Радиально-упорный шарикоподшипник KCA070 (KOYO)