Главная > Подшипники> Шариковые> Радиальные>CSXB080

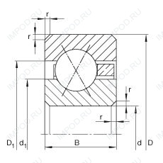
CSXB080 — Подшипник шариковый радиальный с тонким кольцом, импортное производство по ISO стандарту, размер 203x219x7 основное исполнение.
Производитель: INA.
B = однокомпонентное ребристое внутреннее кольцо.
Цена по запросу
Цена на подшипник зависит от:
Габаритные размеры
Размеры и геометрические характеристики
Нагрузка и ресурс
Подшипник однорядный шариковый радиальный CSCB080 (INA)
Радиальный шарикоподшипник KBC080 (KOYO)
Радиально-упорный шарикоподшипник KBA080 (KOYO)
Радиально-упорный шарикоподшипник KBX080 (KOYO)