Главная > Подшипники> Шариковые> Радиальные>CSXB042

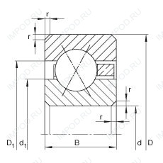
CSXB042 — Подшипник шариковый радиальный с тонким кольцом, импортное производство по ISO стандарту, размер 107x123x7 основное исполнение.
Производитель: INA.
B = однокомпонентное ребристое внутреннее кольцо.
Цена по запросу
Цена на подшипник зависит от:
Габаритные размеры
Размеры и геометрические характеристики
Нагрузка и ресурс
Подшипник однорядный шариковый радиальный CSCB042 (INA)
Подшипник шариковый радиальный с тонким кольцом CSEB042 (INA)
Радиальный шарикоподшипник KBC042 (KOYO)
Радиально-упорный шарикоподшипник KBX042 (KOYO)
Радиально-упорный шарикоподшипник KBA042 (KOYO)