Главная > Подшипники> Шариковые> Радиальные>CSXA030

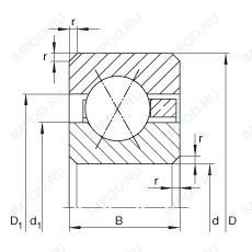
CSXA030 — Подшипник шариковый радиальный с тонким кольцом, импортное производство по ISO стандарту, размер 76x88x6 основное исполнение.
Производитель: INA.
A = внутренняя модификация конструкции.
Цена по запросу
Цена на подшипник зависит от:
Габаритные размеры
Размеры и геометрические характеристики
Нагрузка и ресурс
Подшипник однорядный шариковый радиальный CSCA030 (INA)
Подшипник шариковый однорядный радиально-упорный CSEA030 (INA)
Радиальный шарикоподшипник KAC030 (KOYO)
Радиально-упорный шарикоподшипник KAA030 (KOYO)
Радиально-упорный шарикоподшипник KAX030 (KOYO)
Радиально-упорный шарикоподшипник KYA030 (NTN)