Главная > Подшипники> Шариковые> Радиальные>CSEG120

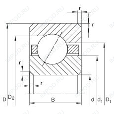
CSEG120 — Подшипник шариковый однорядный радиально-упорный, импортное производство по ISO стандарту, размер 304x355x25 основное исполнение.
Производитель: INA.
G = Однорядный радиально-упорный шарикоподшипник для универсального парного монтажа. Два подшипника, установленные по 0-образной или Х-образной схеме, будут иметь определенный осевой зазор в домонтажном состоянии.
Цена по запросу
Цена на подшипник зависит от:
Габаритные размеры
Размеры и геометрические характеристики
Нагрузка и ресурс
Конструкция и исполнение
Прочие характеристики
Подшипник шариковый радиальный с тонким кольцом CSCG120 (INA)
Подшипник шариковый радиальный с тонким кольцом CSXG120 (INA)
Радиальный шарикоподшипник KGC120 (KOYO)
Радиально-упорный шарикоподшипник KGX120 (KOYO)
Радиально-упорный шарикоподшипник KGA120 (KOYO)