Главная > Подшипники> Шариковые> Радиальные>CSEF080

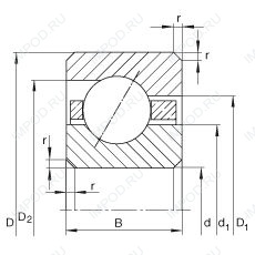
CSEF080 — Подшипник шариковый однорядный радиально-упорный, импортное производство по ISO стандарту, размер 203x241x19 основное исполнение.
Производитель: INA.
Механически обработанный сепаратор из стали или чугуна, центрируемый по телам качения.
Цена по запросу
Цена на подшипник зависит от:
Габаритные размеры
Размеры и геометрические характеристики
Нагрузка и ресурс
Конструкция и исполнение
Прочие характеристики
Подшипник однорядный шариковый радиальный CSCF080 (INA)
Подшипник шариковый радиальный с тонким кольцом CSXF080 (INA)
Радиальный шарикоподшипник KFC080 (KOYO)
Радиально-упорный шарикоподшипник KFA080 (KOYO)
Радиально-упорный шарикоподшипник KFX080 (KOYO)