Главная > Подшипники> Шариковые> Радиальные>CSED090

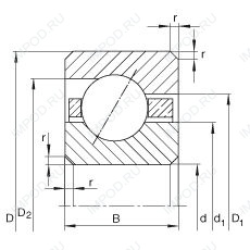
CSED090 — Подшипник шариковый радиальный с тонким кольцом, импортное производство по ISO стандарту, размер 228x254x12 основное исполнение.
Производитель: INA.
D = профиль наружного кольца, усовершенствованный, с увеличенной зоной несущей нагрузки и оптимизированными краевыми переходами.
Цена по запросу
Цена на подшипник зависит от:
Габаритные размеры
Размеры и геометрические характеристики
Нагрузка и ресурс
Конструкция и исполнение
Прочие характеристики
Подшипник однорядный шариковый радиальный CSCD090 (INA)
Подшипник шариковый радиальный с тонким кольцом CSXD090 (INA)
Радиальный шарикоподшипник KDC090 (KOYO)
Радиально-упорный шарикоподшипник KDA090 (KOYO)
Радиально-упорный шарикоподшипник KDX090 (KOYO)