Главная > Подшипники> Шариковые> Радиальные>CSED070

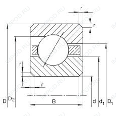
CSED070 — Подшипник шариковый радиальный с тонким кольцом, импортное производство по ISO стандарту, размер 177x203x12 основное исполнение.
Производитель: INA.
D = профиль наружного кольца, усовершенствованный, с увеличенной зоной несущей нагрузки и оптимизированными краевыми переходами.
Цена по запросу
Цена на подшипник зависит от:
Габаритные размеры
Размеры и геометрические характеристики
Нагрузка и ресурс
Конструкция и исполнение
Прочие характеристики
Подшипник шариковый радиальный с тонким кольцом CSCD070 (INA)
Подшипник шариковый радиальный с тонким кольцом CSXD070 (INA)
Радиальный шарикоподшипник KDC070 (KOYO)
Радиально-упорный шарикоподшипник KDX070 (KOYO)
Радиально-упорный шарикоподшипник KDA070 (KOYO)