Главная > Подшипники> Шариковые> Радиально-упорные>CSED 1603)

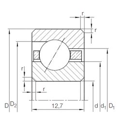
CSED 1603) — Радиально-упорный шарикоподшипник, импортное производство по ISO стандарту, размер 406x431x12 номер основного исполнения .
Производитель: INA.
D1 = (Смазка сегмента, код W33) = Смазочная канавка и три отверстия в наружном кольце подшипника. Начиная с = D320 Суффикс D1 не используется.
Цена от:45 р.
Цена на подшипник зависит от:
Габаритные размеры
Размеры и геометрические характеристики
Нагрузка и ресурс
Защита
Конструкция и исполнение
Подшипник шариковый радиальный с тонким кольцом CSCD160 (INA)
Подшипник шариковый радиальный с тонким кольцом CSED160 (INA)
Подшипник шариковый с четырехточечным контактом CSXD160 (INA)
Радиальный шарикоподшипник KDC160 (KOYO)
Радиально-упорный шарикоподшипник KDX160 (KOYO)
Радиально-упорный шарикоподшипник KDA160 (KOYO)