Главная > Подшипники> Шариковые> Радиальные>CSEB055

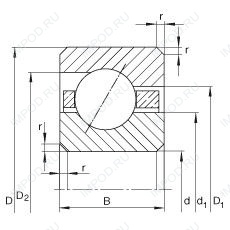
CSEB055 — Подшипник шариковый радиальный с тонким кольцом, импортное производство по ISO стандарту, размер 139x155x7 основное исполнение.
Производитель: INA.
B = однокомпонентное ребристое внутреннее кольцо.
Цена по запросу
Цена на подшипник зависит от:
Габаритные размеры
Размеры и геометрические характеристики
Нагрузка и ресурс
Прочие характеристики
Подшипник шариковый радиальный с тонким кольцом CSXB055 (INA)
Радиальный шарикоподшипник KBC055 (KOYO)
Радиально-упорный шарикоподшипник KBX055 (KOYO)
Радиально-упорный шарикоподшипник KBA055 (KOYO)