Главная > Подшипники> Шариковые> Радиальные>CSEB040

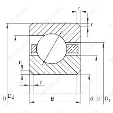
CSEB040 — Подшипник шариковый радиальный с тонким кольцом, импортное производство по ISO стандарту, размер 101x117x7 основное исполнение.
Производитель: INA.
B = однокомпонентное ребристое внутреннее кольцо.
Цена по запросу
Цена на подшипник зависит от:
Габаритные размеры
Размеры и геометрические характеристики
Нагрузка и ресурс
Конструкция и исполнение
Прочие характеристики
Подшипник однорядный шариковый радиальный CSCB040 (INA)
Подшипник шариковый радиальный с тонким кольцом CSXB040 (INA)
Радиальный шарикоподшипник KBC040 (KOYO)
Радиально-упорный шарикоподшипник KBA040 (KOYO)
Радиально-упорный шарикоподшипник KBX040 (KOYO)