Главная > Подшипники> Шариковые> Радиальные>CSEB025

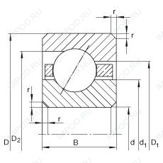
CSEB025 — Подшипник шариковый радиальный с тонким кольцом, импортное производство по ISO стандарту, размер 63x79x7 основное исполнение.
Производитель: INA.
B = однокомпонентное ребристое внутреннее кольцо.
Цена по запросу
Цена на подшипник зависит от:
Габаритные размеры
Размеры и геометрические характеристики
Нагрузка и ресурс
Конструкция и исполнение
Прочие характеристики
Подшипник однорядный шариковый радиальный CSCB025 (INA)
Подшипник шариковый с четырехточечным контактом CSXB025 (INA)
Радиальный шарикоподшипник KBC025 (KOYO)
Радиально-упорный шарикоподшипник KBA025 (KOYO)
Радиально-упорный шарикоподшипник KBX025 (KOYO)