Главная > Подшипники> Шариковые> Радиальные>CSCU 060.2RS

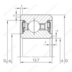
CSCU 060.2RS — Подшипник однорядный шариковый радиальный, импортное производство по ISO стандарту, размер 152x171x12 номер основного исполнения .
Производитель: INA.
Резиновые уплотнения с каждой стороны подшипника.
Цена по запросу
Цена на подшипник зависит от:
Габаритные размеры
Размеры и геометрические характеристики
Нагрузка и ресурс
Защита
Конструкция и исполнение
Подшипник шариковый радиальный с тонким кольцом CSXU 060.2RS (INA)
Радиальный шарикоподшипник KRJ060LL (NTN)
Радиальный шарикоподшипник KUC060 2RD (KOYO)
Радиально-упорный шарикоподшипник KUX060 2RD (KOYO)