Главная > Подшипники> Шариковые> Радиальные>CSCU 040.2RS

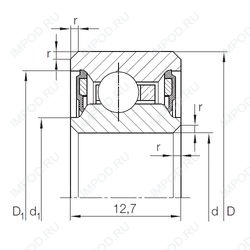
CSCU 040.2RS — Подшипник шариковый радиальный с тонким кольцом, импортное производство по ISO стандарту, размер 101x120x12 номер основного исполнения .
Производитель: INA.
Резиновые уплотнения с каждой стороны подшипника.
Цена по запросу
Цена на подшипник зависит от:
Габаритные размеры
Размеры и геометрические характеристики
Нагрузка и ресурс
Защита
Конструкция и исполнение
Подшипник шариковый с четырехточечным контактом CSXU 040.2RS (INA)
Радиальный шарикоподшипник KUC040 2RD (KOYO)
Радиально-упорный шарикоподшипник KUX040 2RD (KOYO)