Главная > Подшипники> Шариковые> Радиальные>CSCG250

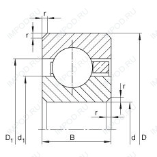
CSCG250 — Подшипник шариковый радиальный с тонким кольцом, импортное производство по ISO стандарту, размер 635x685x25 основное исполнение.
Производитель: INA.
G2 = установка с нормальным преднатягом.
Цена по запросу
Цена на подшипник зависит от:
Габаритные размеры
Размеры и геометрические характеристики
Нагрузка и ресурс
Подшипник шариковый с четырехточечным контактом CSXG250 (INA)
Радиальный шарикоподшипник KGC250 (KOYO)
Радиально-упорный шарикоподшипник KGX250 (KOYO)
Радиально-упорный шарикоподшипник KGA250 (KOYO)