Главная > Подшипники> Шариковые> Радиальные>CSCG200

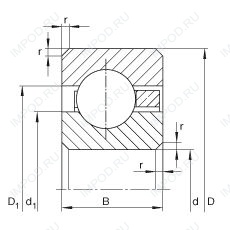
CSCG200 — Подшипник однорядный шариковый радиальный, импортное производство по ISO стандарту, размер 508x558x25 основное исполнение.
Производитель: INA.
G2 = установка с нормальным преднатягом.
Цена по запросу
Цена на подшипник зависит от:
Габаритные размеры
Размеры и геометрические характеристики
Нагрузка и ресурс
Подшипник шариковый радиальный с тонким кольцом CSXG200 (INA)
Радиальный шарикоподшипник KGC200 (KOYO)
Радиально-упорный шарикоподшипник KGX200 (KOYO)
Радиально-упорный шарикоподшипник KGA200 (KOYO)
Радиально-упорный шарикоподшипник KXG200 (NTN)