Главная > Подшипники> Шариковые> Радиальные>CSCG075

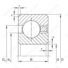
CSCG075 — Подшипник однорядный шариковый радиальный, импортное производство по ISO стандарту, размер 190x241x25 основное исполнение.
Производитель: INA.
G = Однорядный радиально-упорный шарикоподшипник для универсального парного монтажа. Два подшипника, установленные по 0-образной или Х-образной схеме, будут иметь определенный осевой зазор в домонтажном состоянии.
Цена по запросу
Цена на подшипник зависит от:
Габаритные размеры
Размеры и геометрические характеристики
Нагрузка и ресурс
Конструкция и исполнение
Подшипник шариковый радиальный с тонким кольцом CSEG075 (INA)
Подшипник шариковый радиальный с тонким кольцом CSXG075 (INA)
Радиальный шарикоподшипник KGC075 (KOYO)
Радиально-упорный шарикоподшипник KGX075 (KOYO)
Радиально-упорный шарикоподшипник KGA075 (KOYO)