Главная > Подшипники> Шариковые> Радиальные>CSCG070

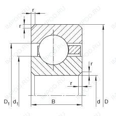
CSCG070 — Подшипник однорядный шариковый радиальный, импортное производство по ISO стандарту, размер 177x228x25 основное исполнение.
Производитель: INA.
G = Однорядный радиально-упорный шарикоподшипник для универсального парного монтажа. Два подшипника, установленные по 0-образной или Х-образной схеме, будут иметь определенный осевой зазор в домонтажном состоянии.
Цена по запросу
Цена на подшипник зависит от:
Габаритные размеры
Размеры и геометрические характеристики
Нагрузка и ресурс
Конструкция и исполнение
Подшипник шариковый радиальный с тонким кольцом CSEG070 (INA)
Подшипник шариковый радиальный с тонким кольцом CSXG070 (INA)
Радиальный шарикоподшипник KGC070 (KOYO)
Радиально-упорный шарикоподшипник KGX070 (KOYO)
Радиально-упорный шарикоподшипник KGA070 (KOYO)