Главная > Подшипники> Шариковые> Радиальные>CSCG055

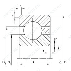
CSCG055 — Подшипник шариковый радиальный с тонким кольцом, импортное производство по ISO стандарту, размер 139x190x25 основное исполнение.
Производитель: INA.
G = Однорядный радиально-упорный шарикоподшипник для универсального парного монтажа. Два подшипника, установленные по 0-образной или Х-образной схеме, будут иметь определенный осевой зазор в домонтажном состоянии.
Цена по запросу
Цена на подшипник зависит от:
Габаритные размеры
Размеры и геометрические характеристики
Нагрузка и ресурс
Конструкция и исполнение
Подшипник шариковый радиальный с тонким кольцом CSXG055 (INA)
Радиальный шарикоподшипник KGC055 (KOYO)
Подшипник однорядный шариковый радиальный XLJ 5.1/2 (RHP, SIGMA)
Радиально-упорный шарикоподшипник KGA055 (KOYO)
Радиально-упорный шарикоподшипник KGX055 (KOYO)