Главная > Подшипники> Шариковые> Радиальные>CSCF110

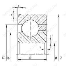
CSCF110 — Подшипник однорядный шариковый радиальный, импортное производство по ISO стандарту, размер 279x317x19 основное исполнение.
Производитель: INA.
Механически обработанный сепаратор из стали или чугуна, центрируемый по телам качения.
Цена по запросу
Цена на подшипник зависит от:
Габаритные размеры
Размеры и геометрические характеристики
Нагрузка и ресурс
Конструкция и исполнение
Подшипник шариковый радиальный с тонким кольцом CSEF110 (INA)
Подшипник шариковый с четырехточечным контактом CSXF110 (INA)
Радиальный шарикоподшипник KFC110 (KOYO)
Радиально-упорный шарикоподшипник KFA110 (KOYO)
Радиально-упорный шарикоподшипник KFX110 (KOYO)