Главная > Подшипники> Шариковые> Радиальные>CSCF075

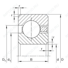
CSCF075 — Подшипник шариковый радиальный с тонким кольцом, импортное производство по ISO стандарту, размер 190x228x19 основное исполнение.
Производитель: INA.
Механически обработанный сепаратор из стали или чугуна, центрируемый по телам качения.
Цена по запросу
Цена на подшипник зависит от:
Габаритные размеры
Размеры и геометрические характеристики
Нагрузка и ресурс
Конструкция и исполнение
Подшипник шариковый радиальный с тонким кольцом CSEF075 (INA)
Подшипник шариковый радиальный с тонким кольцом CSXF075 (INA)
Радиальный шарикоподшипник KFC075 (KOYO)
Радиально-упорный шарикоподшипник KFA075 (KOYO)
Радиально-упорный шарикоподшипник KFX075 (KOYO)