Главная > Подшипники> Шариковые> Радиальные>CSCF055

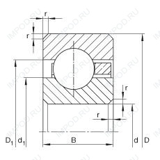
CSCF055 — Подшипник однорядный шариковый радиальный, импортное производство по ISO стандарту, размер 139x177x19 основное исполнение.
Производитель: INA.
Механически обработанный сепаратор из стали или чугуна, центрируемый по телам качения.
Цена по запросу
Цена на подшипник зависит от:
Габаритные размеры
Размеры и геометрические характеристики
Нагрузка и ресурс
Конструкция и исполнение
Подшипник шариковый однорядный радиально-упорный CSEF055 (INA)
Подшипник шариковый радиальный с тонким кольцом CSXF055 (INA)
Радиальный шарикоподшипник KFC055 (KOYO)
Радиально-упорный шарикоподшипник KFA055 (KOYO)
Радиально-упорный шарикоподшипник KFX055 (KOYO)