Главная > Подшипники> Шариковые> Радиальные>CSCF050

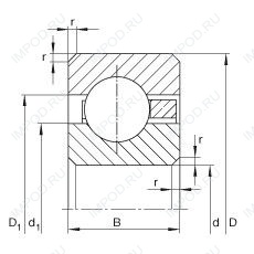
CSCF050 — Подшипник однорядный шариковый радиальный, импортное производство по ISO стандарту, размер 127x165x19 основное исполнение.
Производитель: INA.
Механически обработанный сепаратор из стали или чугуна, центрируемый по телам качения.
Цена по запросу
Цена на подшипник зависит от:
Габаритные размеры
Размеры и геометрические характеристики
Нагрузка и ресурс
Конструкция и исполнение
Подшипник шариковый радиальный с тонким кольцом CSXF050 (INA)
Радиальный шарикоподшипник KFC050 (KOYO)
Радиально-упорный шарикоподшипник KFA050 (KOYO)
Радиально-упорный шарикоподшипник KFX050 (KOYO)