Главная > Подшипники> Шариковые> Радиальные>CSCD140

CSCD140 — Подшипник шариковый радиальный с тонким кольцом, импортное производство по ISO стандарту, размер 355x381x12 основное исполнение.
Производитель: INA.
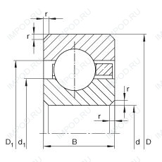
D1 = (Смазка сегмента, код W33) = Смазочная канавка и три отверстия в наружном кольце подшипника. Начиная с = D320 Суффикс D1 не используется.
Цена по запросу
Цена на подшипник зависит от:
Габаритные размеры
Размеры и геометрические характеристики
Нагрузка и ресурс
Подшипник шариковый радиальный с тонким кольцом CSED140 (INA)
Подшипник шариковый радиальный с тонким кольцом CSXD140 (INA)
Радиальный шарикоподшипник KDC140 (KOYO)
Радиально-упорный шарикоподшипник CSED 1403) (INA)
Радиально-упорный шарикоподшипник KDX140 (KOYO)
Радиально-упорный шарикоподшипник KDA140 (KOYO)