Главная > Подшипники> Шариковые> Радиальные>CSCD100

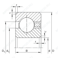
CSCD100 — Подшипник однорядный шариковый радиальный, импортное производство по ISO стандарту, размер 254x279x12 основное исполнение.
Производитель: INA.
D1 = (Смазка сегмента, код W33) = Смазочная канавка и три отверстия в наружном кольце подшипника. Начиная с = D320 Суффикс D1 не используется.
Цена по запросу
Цена на подшипник зависит от:
Габаритные размеры
Размеры и геометрические характеристики
Нагрузка и ресурс
Конструкция и исполнение
Подшипник шариковый радиальный с тонким кольцом CSED100 (INA)
Подшипник шариковый с четырехточечным контактом CSXD100 (INA)
Радиальный шарикоподшипник KDC100 (KOYO)
Радиально-упорный шарикоподшипник CSED 1003) (INA)
Радиально-упорный шарикоподшипник KDX100 (KOYO)
Радиально-упорный шарикоподшипник KDA100 (KOYO)