Главная > Подшипники> Шариковые> Радиальные>CSCD080

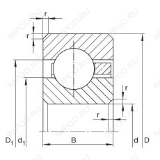
CSCD080 — Подшипник однорядный шариковый радиальный, импортное производство по ISO стандарту, размер 203x228x12 основное исполнение.
Производитель: INA.
D = профиль наружного кольца, усовершенствованный, с увеличенной зоной несущей нагрузки и оптимизированными краевыми переходами.
Цена по запросу
Цена на подшипник зависит от:
Габаритные размеры
Размеры и геометрические характеристики
Нагрузка и ресурс
Конструкция и исполнение
Подшипник шариковый радиальный с тонким кольцом CSED080 (INA)
Подшипник шариковый радиальный с тонким кольцом CSXD080 (INA)
Радиальный шарикоподшипник KDC080 (KOYO)
Радиально-упорный шарикоподшипник KDX080 (KOYO)
Радиально-упорный шарикоподшипник KDA080 (KOYO)