Главная > Подшипники> Шариковые> Радиальные>CSCD060

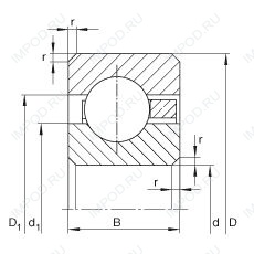
CSCD060 — Подшипник однорядный шариковый радиальный, импортное производство по ISO стандарту, размер 152x177x12 основное исполнение.
Производитель: INA.
D = профиль наружного кольца, усовершенствованный, с увеличенной зоной несущей нагрузки и оптимизированными краевыми переходами.
Цена по запросу
Цена на подшипник зависит от:
Габаритные размеры
Размеры и геометрические характеристики
Нагрузка и ресурс
Конструкция и исполнение
Подшипник шариковый радиальный с тонким кольцом CSED060 (INA)
Подшипник шариковый радиальный с тонким кольцом CSXD060 (INA)
Радиальный шарикоподшипник KDC060 (KOYO)
Радиально-упорный шарикоподшипник KDA060 (KOYO)
Радиально-упорный шарикоподшипник KDX060 (KOYO)