Главная > Подшипники> Шариковые> Радиальные>CSCD055

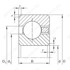
CSCD055 — Подшипник однорядный шариковый радиальный, импортное производство по ISO стандарту, размер 139x165x12 основное исполнение.
Производитель: INA.
D = профиль наружного кольца, усовершенствованный, с увеличенной зоной несущей нагрузки и оптимизированными краевыми переходами.
Цена по запросу
Цена на подшипник зависит от:
Габаритные размеры
Размеры и геометрические характеристики
Нагрузка и ресурс
Конструкция и исполнение
Подшипник шариковый радиальный с тонким кольцом CSED055 (INA)
Подшипник шариковый с четырехточечным контактом CSXD055 (INA)
Радиальный шарикоподшипник KDC055 (KOYO)
Радиально-упорный шарикоподшипник KDA055 (KOYO)
Радиально-упорный шарикоподшипник KDX055 (KOYO)