Главная > Подшипники> Шариковые> Радиальные>CSCD050

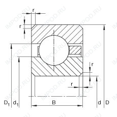
CSCD050 — Подшипник однорядный шариковый радиальный, импортное производство по ISO стандарту, размер 127x152x12 основное исполнение.
Производитель: INA.
D = профиль наружного кольца, усовершенствованный, с увеличенной зоной несущей нагрузки и оптимизированными краевыми переходами.
Цена по запросу
Цена на подшипник зависит от:
Габаритные размеры
Размеры и геометрические характеристики
Нагрузка и ресурс
Конструкция и исполнение
Подшипник шариковый радиальный с тонким кольцом CSED050 (INA)
Подшипник шариковый радиальный с тонким кольцом CSXD050 (INA)
Радиальный шарикоподшипник KDC050 (KOYO)
Радиально-упорный шарикоподшипник KDA050 (KOYO)
Радиально-упорный шарикоподшипник KDX050 (KOYO)