Главная > Подшипники> Шариковые> Радиальные>CSCD045

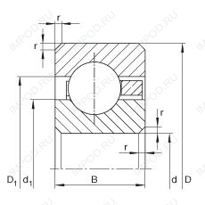
CSCD045 — Подшипник однорядный шариковый радиальный, импортное производство по ISO стандарту, размер 114x139x12 основное исполнение.
Производитель: INA.
D = профиль наружного кольца, усовершенствованный, с увеличенной зоной несущей нагрузки и оптимизированными краевыми переходами.
Цена по запросу
Цена на подшипник зависит от:
Габаритные размеры
Размеры и геометрические характеристики
Нагрузка и ресурс
Конструкция и исполнение
Подшипник шариковый радиальный с тонким кольцом CSED045 (INA)
Подшипник шариковый радиальный с тонким кольцом CSXD045 (INA)
Радиальный шарикоподшипник KDC045 (KOYO)
Радиально-упорный шарикоподшипник KDX045 (KOYO)
Радиально-упорный шарикоподшипник KDA045 (KOYO)