Главная > Подшипники> Шариковые> Радиальные>CSCC110

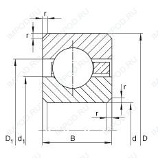
CSCC110 — Подшипник шариковый радиальный с тонким кольцом, импортное производство по ISO стандарту, размер 279x298x9 основное исполнение.
Производитель: INA.
С1 = Внутренний зазор подшипника меньше С2.
Цена по запросу
Цена на подшипник зависит от:
Габаритные размеры
Размеры и геометрические характеристики
Нагрузка и ресурс
Подшипник шариковый с четырехточечным контактом CSXC110 (INA)
Радиальный шарикоподшипник KCC110 (KOYO)
Радиально-упорный шарикоподшипник KCX110 (KOYO)
Радиально-упорный шарикоподшипник KCA110 (KOYO)