Главная > Подшипники> Шариковые> Радиальные>CSCC060

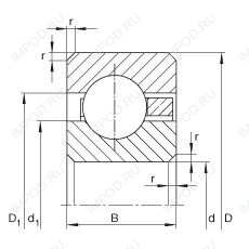
CSCC060 — Подшипник однорядный шариковый радиальный, импортное производство по ISO стандарту, размер 152x171x9 основное исполнение.
Производитель: INA.
С = Необслуживаемые концы стержней, внутренняя резьба.
Цена по запросу
Цена на подшипник зависит от:
Габаритные размеры
Размеры и геометрические характеристики
Нагрузка и ресурс
Конструкция и исполнение
Подшипник шариковый радиальный с тонким кольцом CSEC060 (INA)
Подшипник шариковый радиальный с тонким кольцом CSXC060 (INA)
Радиальный шарикоподшипник KCC060 (KOYO)
Радиально-упорный шарикоподшипник KCA060 (KOYO)
Радиально-упорный шарикоподшипник KCX060 (KOYO)