Главная > Подшипники> Шариковые> Радиальные>CSCC050

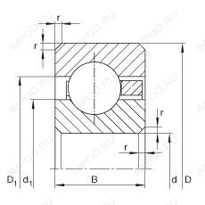
CSCC050 — Подшипник однорядный шариковый радиальный, импортное производство по ISO стандарту, размер 127x146x9 основное исполнение.
Производитель: INA.
С = Необслуживаемые концы стержней, внутренняя резьба.
Цена по запросу
Цена на подшипник зависит от:
Габаритные размеры
Размеры и геометрические характеристики
Нагрузка и ресурс
Конструкция и исполнение
Подшипник шариковый радиальный с тонким кольцом CSEC050 (INA)
Подшипник шариковый радиальный с тонким кольцом CSXC050 (INA)
Радиальный шарикоподшипник KCC050 (KOYO)
Радиально-упорный шарикоподшипник KCA050 (KOYO)
Радиально-упорный шарикоподшипник KCX050 (KOYO)