Главная > Подшипники> Шариковые> Радиальные>CSCC047

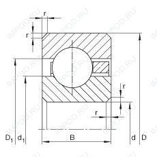
CSCC047 — Подшипник однорядный шариковый радиальный, импортное производство по ISO стандарту, размер 120x139x9 основное исполнение.
Производитель: INA.
С = Необслуживаемые концы стержней, внутренняя резьба.
Цена по запросу
Цена на подшипник зависит от:
Габаритные размеры
Размеры и геометрические характеристики
Нагрузка и ресурс
Конструкция и исполнение
Подшипник шариковый радиальный с тонким кольцом CSEC047 (INA)
Радиальный шарикоподшипник KCC047 (KOYO)
Радиально-упорный шарикоподшипник KCA047 (KOYO)
Радиально-упорный шарикоподшипник KCX047 (KOYO)