Главная > Подшипники> Шариковые> Радиальные>CSCC042

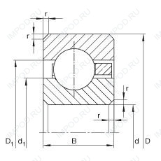
CSCC042 — Подшипник однорядный шариковый радиальный, импортное производство по ISO стандарту, размер 107x127x9 основное исполнение.
Производитель: INA.
С = Необслуживаемые концы стержней, внутренняя резьба.
Цена по запросу
Цена на подшипник зависит от:
Габаритные размеры
Размеры и геометрические характеристики
Нагрузка и ресурс
Конструкция и исполнение
Радиальный шарикоподшипник KCC042 (KOYO)
Радиально-упорный шарикоподшипник KCX042 (KOYO)
Радиально-упорный шарикоподшипник KCA042 (KOYO)