Главная > Подшипники> Шариковые> Радиальные>CSCC040

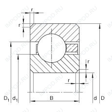
CSCC040 — Подшипник однорядный шариковый радиальный, импортное производство по ISO стандарту, размер 101x120x9 основное исполнение.
Производитель: INA.
С = Необслуживаемые концы стержней, внутренняя резьба.
Цена по запросу
Цена на подшипник зависит от:
Габаритные размеры
Размеры и геометрические характеристики
Нагрузка и ресурс
Конструкция и исполнение
Подшипник шариковый радиальный с тонким кольцом CSEC040 (INA)
Подшипник шариковый радиальный с тонким кольцом CSXC040 (INA)
Радиальный шарикоподшипник KCC040 (KOYO)
Радиально-упорный шарикоподшипник KCA040 (KOYO)
Радиально-упорный шарикоподшипник KCX040 (KOYO)