Главная > Подшипники>CSCB050

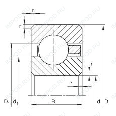
CSCB050 — Подшипник однорядный шариковый радиальный, импортное производство по ISO стандарту, размер 127x142x7 основное исполнение.
Производитель: INA.
B = однокомпонентное ребристое внутреннее кольцо.
Цена по запросу
Цена на подшипник зависит от:
Габаритные размеры
Размеры и геометрические характеристики
Нагрузка и ресурс
Конструкция и исполнение
Радиальный шарикоподшипник KBC050 (KOYO)
Радиально-упорный шарикоподшипник KBX050 (KOYO)
Радиально-упорный шарикоподшипник KBA050 (KOYO)