Главная > Подшипники> Шариковые> Радиальные>CSCB045

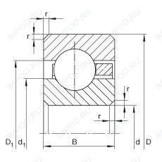
CSCB045 — Подшипник однорядный шариковый радиальный, импортное производство по ISO стандарту, размер 114x130x7 основное исполнение.
Производитель: INA.
B = однокомпонентное ребристое внутреннее кольцо.
Цена по запросу
Цена на подшипник зависит от:
Габаритные размеры
Размеры и геометрические характеристики
Нагрузка и ресурс
Конструкция и исполнение
Подшипник шариковый радиальный с тонким кольцом CSEB045 (INA)
Подшипник шариковый радиальный с тонким кольцом CSXB045 (INA)
Радиальный шарикоподшипник KBC045 (KOYO)
Радиально-упорный шарикоподшипник KBX045 (KOYO)
Радиально-упорный шарикоподшипник KBA045 (KOYO)