Главная > Подшипники>CSCB035

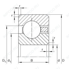
CSCB035 — Подшипник однорядный шариковый радиальный, импортное производство по ISO стандарту, размер 88x104x7 основное исполнение.
Производитель: INA.
B = однокомпонентное ребристое внутреннее кольцо.
Цена по запросу
Цена на подшипник зависит от:
Габаритные размеры
Размеры и геометрические характеристики
Нагрузка и ресурс
Конструкция и исполнение
Подшипник шариковый радиальный с тонким кольцом CSEB035 (INA)
Подшипник шариковый радиальный с тонким кольцом CSXB035 (INA)
Радиальный шарикоподшипник KBC035 (KOYO)
Радиально-упорный шарикоподшипник KBA035 (KOYO)
Радиально-упорный шарикоподшипник KBX035 (KOYO)